YBV-S Service Brake Valve
YBV-S Service Brake Valve
- Compact modular design for safe and reliable braking performance
- Low internal leakage and fast response, improving overall system stability
- Available in single- or dual-circuit designs, with multiple pedal and sensor configurations to suit different machine types
Applications
The service brake valve is widely used in mining trucks, rubber-tired vehicles, wheel loaders, backhoe loaders, motor graders, tractors, forklifts, and telehandlers. It is designed to provide precise and controllable braking for deceleration and stopping, ensuring safe and efficient operation of heavy-duty and mobile equipment across demanding work environments such as construction sites and mines.
Model Options
| YBV-S-S0 | Without sensor |
| YBV-S-S1 | With angle sensor |
| YBV-S-S2 | With pressure sensor |
| YBV-S-FL | With lock |
Specifications
| Brake Pressure Setting Range | 28~207bar |
| Pedal Force | 156~311N |
| Max. Output Pressure | 207bar |
| Hydraulic Fluid Temperature Range | -20℃~120℃ |
| Ambient Temperature Range | -40℃~80℃ |
| Hydraulic Fluid | General mineral oil (ISO 20~400mm²/s) |
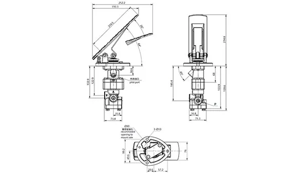
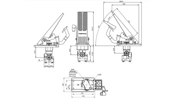
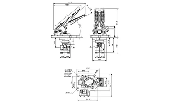
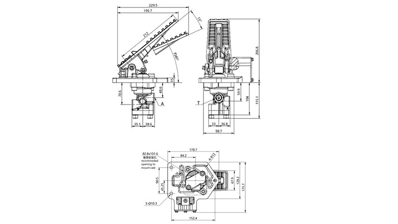
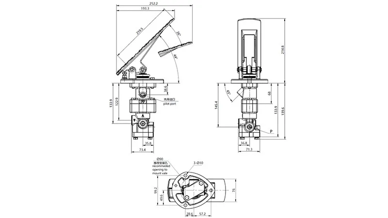
Installation Dimension Drawings























